光軸支撐
- 產品介紹
- 技術參數
- 產品圖片
R101502000 力士樂鋼軸帶安裝好的軸支撐結構:
- 與側向開式直線導套組件一起形成了一種高承載能力的線性導向
- 定位邊方便了校準工作 (安裝)
R1015020..訂貨型號后面2位可以是:00=調質鋼軸h6 01=調質鋼軸h7 30=耐腐蝕鋼軸h6 31=耐腐蝕鋼軸h7
60=鍍硬鉻調質鋼軸h6 61=鍍硬鉻調質鋼軸h7
60=鍍硬鉻調質鋼軸h6 61=鍍硬鉻調質鋼軸h7

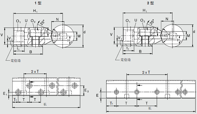
| ød | 20 |
| H1) js6 |
52 |
| H21) ±0.012 |
7.5 |
| V | 15 |
| M | 8.3 |
| E1 ±0.15 |
8 |
| E2 ±0.15 |
22 |
| T | 37.5 |
| t1 | 8.5 |
| t2 | 8.5 |
| V12) *大 |
4 |
| B2) | 30 |
| N | 11 |
| O1 ISO4762-8.8 | M6*45 |
| O23) ISO4762-8.8 |
M6*16 |
| U DIN79804) |
6 |
| 重量:(KG/m) | 1 |
1)用公稱尺寸“d”和約 50 mm 長的檢測軸測量。
2)設計推薦:配合面不做定位邊 (V1),在軸上進行平行度校準。
3)推薦只適用于鋼螺紋或鑄鐵螺紋的連接。
4)DIN 7980 已撤回,但彈簧圈仍可買到。








