輸送控制
3842524447 力士樂搖板WI2/H
品名:博世力士樂搖板
部件號:3842524447
重量:2.161kg
系列:博世TS2輸送系統
021-57893800工作時間:周一至周五 9:00-18:00
- 產品介紹
- 技術參數
- 產品圖片
用途:
用于區域檢測、工件托盤確認以及橫向傳輸工件托盤時作為檔停器使用。用于重量>30kg的工件托盤。
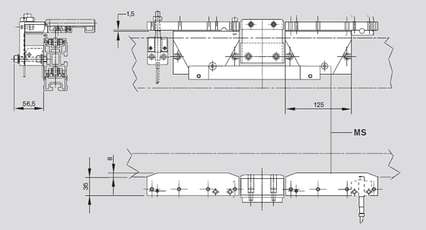
設計:
– 結構簡單緊湊。
– 檢測區域: 400?1040 mm。
供貨范圍:
包括將 WI/H 搖板安裝在 ST 2/… 輸送段或 BS 2/…皮帶輸送段上的安裝材料
所需配件:
圓形 12-mm? 的接近開關,其感應距離是 SN ≥ 4 mm,F2 8-29。

可選配件:
額外的搖板擴展件 MS ,帶*二個搖板和連接片,可在輸送段首?尾中間安裝搖板。
額外的搖板擴展件MS
| lWT[mm] | 部件號 |
| 400 | 3842524449 |
| 480 | 3842524450 |
| 640 | 3842524451 |
| 800 | 3842524452 |
| 1040 | 3842524453 |








