絲杠螺母座
- 產品介紹
- 技術參數
- 產品圖片
R150,40021 力士樂螺母座 螺母座 MGS
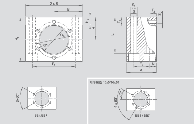
鋼制螺母座 MGS 適用于滾珠螺母FEM-E-S, FDM-E-S, FEP-E-S 和 SEM-E-S
螺母座除了用螺栓固定外,還需要采用附加的固定方式 (例如采用兩個定位銷,其直徑與螺栓直徑 S2 相同)。我們建議使用強度等級為 8.8 級的螺栓。
!如果使用帶前置潤滑單元的滾珠絲杠傳動系統,前置潤滑單元有可能從螺母座中凸出來。對此,在計算行程時需加以考慮。

| D1H7 | 33 | |
| D6 | 45 | |
| A | 40 | |
| B±0.01 | 37.5 | |
| H±0.01 | 32 | |
| H1 | 62 | |
| H2 | 10 | |
| E1 | 56±0.1 | |
| E2 | 20±0.1 | |
| N | 10 | |
| S | 8.4 | |
| S1 | M10 | |
| T1 | 15 | |
| S2 | M6 | |
| T2 | 10 | |
| 夾緊長度L | 51.0 | |
| 重量m(KG) | 1.050 | |
| 孔圖:FEM-E-S/FDE-E-S/FEP-E-S | BB4 | |
| 孔圖:SEM-E-S | BB7 | |
| 內六角圓柱頭螺釘 ISO 4762 | M8 | |








