滾珠導軌
- 產品介紹
- 技術參數
- 產品圖片
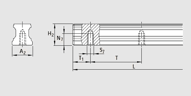
R160740431 力士樂滾珠導軌是從下面用螺栓安裝的導軌,孔距105mm,力士樂可應要求提供的*大長度是5771mm。從下面用螺栓固定導軌.

| A2 | 20 | |
| H21) | 20.55 | |
| Lmax2) | 3 836 | |
| N7 |
9.0 |
|
| S7 | M6 | |
| T | 60 | |
| T1 min |
10 |
|
| T1s3) | 28.0 | |
| T1 max | 50 | |
| 重量 | 2.4 |
1)尺寸H2帶防護帶
2)對于規格20-45,精度N,H和P的滾珠導軌,單段供貨長度
規格20-25:*長可達5816mm
規格30-35:*長可達5836mm
規格45:*長可達5771mm
3)推薦:首選尺寸T1s,公差 ±0.75。








