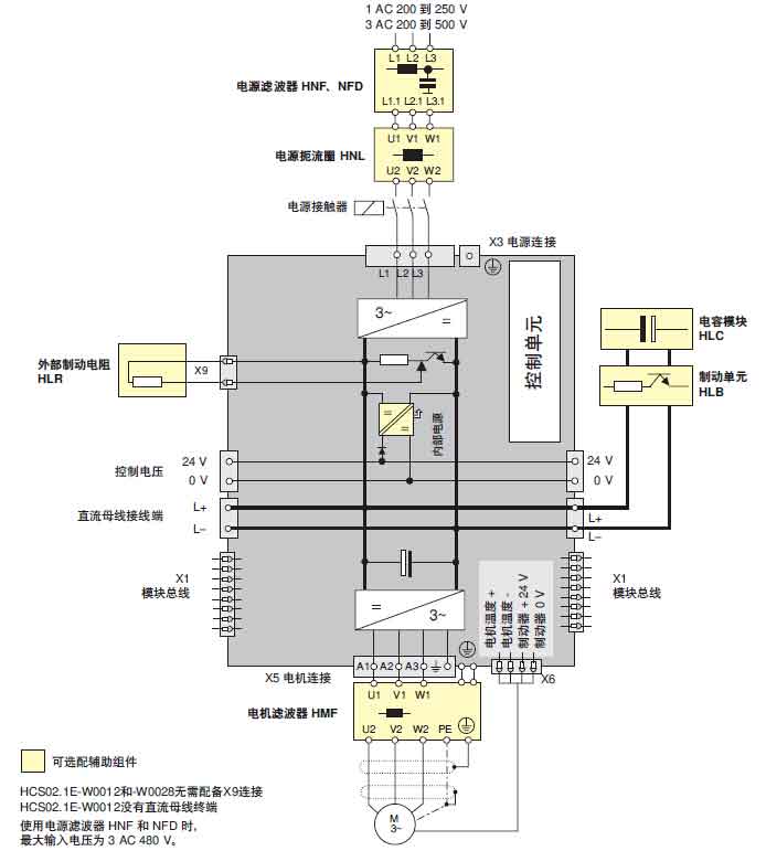
功率單元
緊湊型驅動器HCS02
電源電壓:1AC200到250;3AC200到500(±10%)
直流母線連續功率:2.1到14kW
電源頻率:48到62Hz
過載能力:2.5X
021-57893800工作時間:周一至周五 9:00-18:00
- 產品介紹
- 技術參數
- 產品圖片
IndraDrive C – 緊湊型驅動器
? 功率范圍從 1.5 kW 到 630 kW,*大電流從 12 A 到 1,535 A
? 高過載能力
? 用于單軸應用的緊湊型設計
? 可連接至驅動器以實現具成本效益的解決方案
? 從 200 V 到 500 V 的直接電源連接
| 驅動器 | |||||
| 型號 | HCS02.1E-W0012 | HCS02.1E-W0028 | HCS02.1E-W0054 | HCS02.1E-W0070 | |
| -集成控制電壓 | A-03-NNNV | A-03-NNNV | A-03-NNNV | A-03-NNNV | |
| -集成溫控風扇控制 | A-03-LNNN | A-03-LNNN | A-03-LNNN | A-03-LNNN | |
| -無額外選配件 | A-03-NNNN | A-03-NNNN | A-03-NNNN | A-03-NNNN | |
| 性能數據 | |||||
| 連續電流1) | A | 4.5 | 11.3 | 20.6 | 28.3 |
| *大電流 | A | 11.5 | 28.3 | 54 | 70.8 |
| 不帶/帶扼流圈的直流母線連續功率 | KW | 2.1/2.1 | 5.1/5.1 | 7/10 | 9/14 |
| 不帶/帶扼流圈的*大輸出功率 | KW | 5/5 | 8/10 | 12/16 | 14/19 |
| 電源電壓 | V | 3AC200到500,1AC200到250(±10%) | |||
| 連續輸入電源電流 | A | 6 | 13 | 19 | 30 |
| 輸出功率對電源電壓的依賴性 | ULN < 400 V 時:每下降 4 V 功率降低 1% ULN > 400 V 時:每上升 5 V 功率增加 1% |
||||
| 直流母線接線端2) | - | · | · | · | |
| 直流母線電容 | μF | 135 | 270 | 405 | 675 |
| 制動電阻 | |||||
| 制動電阻 | 內部 | 內部 | 內部/外部 | 內部/外部 | |
| *大制動能量消耗 | kws | 1 | 5 | 9 | 13 |
| 連續制動功率 | kw | 0.05 | 0.15 | 0.35/3.8 | 0.5/5.5 |
| *大制動功率 | kw | 4 | 10 | 18 | 25 |
| 控制電壓數據 | |||||
| 內部控制電壓 | V | DC 24(不用于電機制動的供電) | |||
| 外部控制電壓 | V | DC 24 ±20%(對電機制動供電時 DC 24 ±5%) | |||
| 不帶控制單元和電機剎車的功耗 | W | 12 | 14 | 23 | 23 |
| 不帶控制單元和電機剎車的連續電流 | A | 0.5 | 0.6 | 1 | 1 |
| 機械數據 | |||||
| 寬度W | mm | 65 | 65 | 105 | 105 |
| 高度H | mm | 290 | 352 | ||
| 深度D | mm | 252 | |||
| 重量 | kg | 2.9 | 3.8 | 6.7 | 6.8 |
所有數據基于 3 AC 400 V 電源電壓和 4 kHz 脈寬調制頻率下的標稱額定值
1) 在輸出頻率小于 4 Hz 時,輸出電流將減小;2)用于連接額外單元,如 HMS、HCS、HLB、HLC








