導軌滑塊配件
- 產品介紹
- 技術參數
- 產品圖片
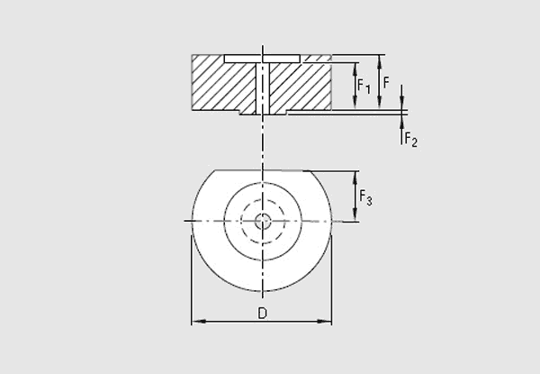
力士樂潤滑轉接件R162110005用于從上面進行油潤滑或者脂潤滑,僅適用于高滾珠滑塊SNH R1621或SLH R1624
材料:塑料
包裝單位:1件
安裝說明:
—O型圈隨同供貨
·在安裝前,用一根經過加熱的尖銳金屬件打開滾珠滑塊上的潤滑孔(不要使用鉆頭,有污染的危險)

| D | 12 | |
| D1 | 6.2 | |
| D2 | 3.4 | |
| F | 3.7 | |
| F1 | 3.1 | |
| F2 | 0.5 | |
| F3 | 3.20 | |
| 重量 g | 0.5 |
品牌:博世力士樂
名稱:潤滑轉接件
部件號:R162110005
規格:15
" />力士樂潤滑轉接件R162110005用于從上面進行油潤滑或者脂潤滑,僅適用于高滾珠滑塊SNH R1621或SLH R1624
材料:塑料
包裝單位:1件
安裝說明:
—O型圈隨同供貨
·在安裝前,用一根經過加熱的尖銳金屬件打開滾珠滑塊上的潤滑孔(不要使用鉆頭,有污染的危險)

| D | 12 | |
| D1 | 6.2 | |
| D2 | 3.4 | |
| F | 3.7 | |
| F1 | 3.1 | |
| F2 | 0.5 | |
| F3 | 3.20 | |
| 重量 g | 0.5 |