導軌滑塊配件
R161924051 力士樂氣動夾持和制動元件UBPS
品牌:博世力士樂
名稱:氣動夾持和制動元件UBPS
部件號:R161924051
規格:25
021-57893800工作時間:周一至周五 9:00-18:00
- 產品介紹
- 技術參數
- 產品圖片
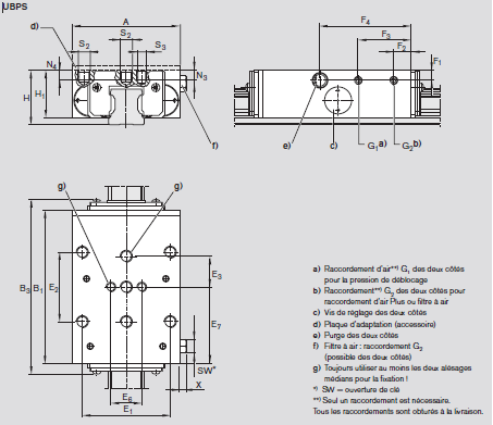
力士樂氣動夾持和制動元件R161924051通過三個串聯在一起的活塞和強大的彈簧儲能器,實現*高的軸向夾持力;通過在補充進氣口上施加額外的氣壓,可以進一步增大夾持力。

| A | 70 | |
| B1 | 99 | |
| B3 max | 115.1 | |
| E1 | 57 | |
| E2 |
45 |
|
| E3 | 20 | |
| E6 | 20 | |
| E7 |
49.5 |
|
| F1 | 6.5 | |
| F2 | 11 | |
| F3 | 34.3 | |
| F4 | 59.0 | |
| G1 | M5 | |
| G2 | M5 | |
| H | 36 | |
| H11) | 31 | |
| N3 | 7 | |
| N4 | 7 | |
| S2 | M8 | |
| S3 | M6 | |
| X | 5.5 | |
| SW | Ø8,SW7 | |
| 夾持力彈簧儲能1) N | 1 850 | |
| 夾持力用補充進氣口2) N | 2 650 | |
| 耗氣量標準進氣口(dm3/行程) | 0.080 | |
| 耗氣量補充進氣口(dm3/行程) | 0.165 | |
| 重量 kg | 1.20 | |
1)高滾珠滑塊.H.(...高...) 需配墊板,也可根據客戶需要選用。
2)SW=扳手開口寬度。
3)通過彈簧儲能獲得的夾持力。試驗是在安裝完畢條件下進行的,具有一層潤滑油膜(ISO-VG68)。
4)在補充進氣口通5.5 bar的壓縮空氣額外加壓獲得的夾持力。通過2位通或5通或3位通5換向閥來切換。








