導軌滑塊配件
R161914060 力士樂氣動夾持元件MKS
品牌:博世力士樂
名稱:氣動夾持元件MKS
部件號:R161914060
規格:15
021-57893800工作時間:周一至周五 9:00-18:00
- 產品介紹
- 技術參數
- 產品圖片
力士樂氣動夾持元件R161914060適用于所有滾珠導軌SNS。
MKS的特點:
- 通過帶兩套彈簧組件的雙作用錐形滑閥機構實現無壓夾持(彈簧力夾持)
- 釋放壓力5.5-8bar(氣壓)
- 通過補充進氣口,可以進一步增大夾持力

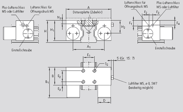
| A | 55 | |
| A1 | 34.0 | |
| B | 39 | |
| B1 max | 58.5 | |
| D | 16 | |
| E1 |
15 |
|
| E2 | 15 | |
| E3 | 15.5 | |
| F1 | 16.1 | |
| F2 | 34.0 | |
| F3 | 5.6 | |
| F4 | 34.0 | |
| H | 24 | |
| H11) | 20.8 | |
| H2 | 11.6 | |
| N3 | 4.5 | |
| S2 | M4 | |
| X | 6.5 | |
| 夾持力彈簧儲能2) N | 400 | |
| 夾持力用補充進氣口3) N | 1 050 | |
| 耗氣量標準進氣口(dm3/行程) | 0.011 | |
| 耗氣量補充進氣口(dm3/行程) | 0.035 | |
| 重量 kg | 0.29 |
1)高滾珠滑塊.H.(...高...)需要配墊板
2)通過彈簧儲能獲得的夾持力。試驗是在安裝完畢條件下進行的,具有一層潤滑油膜(ISO-VG68)。
3)在補充進氣口通6.0 bar 的壓縮空氣額外加壓獲得的夾持力。通過2位5通或3位5通換向閥來切換。








