滾珠導軌
- 產品介紹
- 技術參數
- 產品圖片
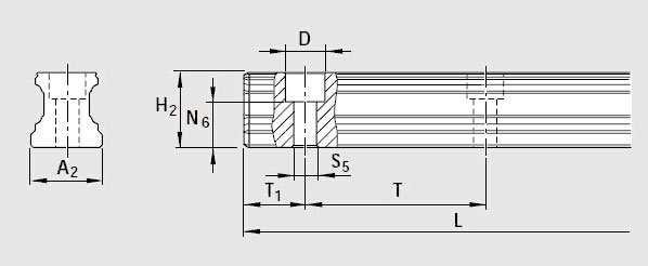
力士樂直線導軌R160550331是帶塑料孔蓋的上安裝滾珠導軌。幾何運行精度指的是滑塊在工作時的實際運行情況,導軌也影響幾何運行精度,除去在公差等級部分描述的高度和側向誤差的影響之外,用螺栓來固定導軌可能會造成局部變形,變形點的間距為安裝孔的距離。
," 
| A2 | 34 |
| D | 15 |
| H21) | 28.35 |
| Lmax2) | 3 836 |
| N6±0.5 | 20.5 |
| S5 | 9 |
| T | 80 |
| T1 min | 12 |
| T1s3) | 38 |
| T1 max | 68 |
| 重量 | 6.8 |
1)尺寸H2帶防護帶
2)推薦:首選尺寸T1s,公差 ±0.75。
3)由于加工原因,導軌的底面可能是平的(沒有底槽)。








